Badinspiration

Diskutiere Badinspiration im Sanitär Forum im Bereich Haustechnik; Hallo, da aktuell keine Bäderausstellungen mehr offen haben, dachte ich, ich plane unser Dachgeschossbad schon etwas. Bisher ist folgender...

  1. JPtm

    JPtm

    Dabei seit:
    10.05.2019
    Beiträge:
    996
    Zustimmungen:
    317
    Beruf:
    IT
    Ort:
    Thüringen
    Hallo,

    da aktuell keine Bäderausstellungen mehr offen haben, dachte ich, ich plane unser Dachgeschossbad schon etwas.
    Bisher ist folgender Vorschlag rausgekommen.

    Unser DG hat 45° Dachneigung und keinen Kniestock. Daher rücke ich alles ca 130cm von der Wand weg. Der komplette Bereich oberhalb der aktuellen Wannenposition soll mit einem Drempel verborgen werden. Eventuell könnte ich mir auch einen kleinen Nischenschrank vorstellen.
    Deshalb die freie Fläche im oberen Bildbereich.
    Bisher ist ein kleines Dachfenster (Nordseite, Velux GPU 866x116) geplant, ich könnte mich aber auch für ein größeres oder gar mehrere Fenster begeistern. Es kann niemand von außen in das Fenster schauen.Es ist ein Sichtdachtsuhl und mir macht eine Abgrenzung im Wannenbereich nach oben "Sorgen". Das soll nicht vom Spritzwasser in 2 Jahren dann darüber blöd ausschauen.

    Findet ihr das Bad so iO oder würdet ihr das anders aufbauen? In der Tiefe lässt sich nicht viel machen, aber ob es 300 oder 320 breit wird ist egal. Mehr wie die 300cm links kann ich nicht gehen da sich dann dort eine Tür anschließt die ich nicht versetzen kann. Das Bad soll möglichst kompakt sein. Wir sind in dem Bereich absolut keine Luxusmenschen. Da nehme ich die m² lieber fürs angrenzen Wohnzimmer oder Schlafzimmer. Unser aktuelles Bad hat 3.7m² und reicht :).

    Danke für die Zeit.
     

    Anhänge:

    simon84 gefällt das.
  2. #2 simon84, 04.04.2020
    simon84

    simon84
    Moderator

    Dabei seit:
    11.11.2012
    Beiträge:
    23.299
    Zustimmungen:
    6.923
    Beruf:
    Schrauber
    Ort:
    Muenchen
    @Kriminelle @Fabian Weber
     
    Kriminelle gefällt das.
  3. #3 Fabian Weber, 05.04.2020
    Fabian Weber

    Fabian Weber

    Dabei seit:
    03.04.2018
    Beiträge:
    16.354
    Zustimmungen:
    6.501
    Kann man dann in der Wand stehen? Ansonsten geht das doch klar.
     
  4. #4 Andreas Teich, 05.04.2020
    Zuletzt bearbeitet: 05.04.2020
    Andreas Teich

    Andreas Teich

    Dabei seit:
    20.03.2012
    Beiträge:
    3.102
    Zustimmungen:
    529
    Beruf:
    Gebäude-Energieberater, Planungsbüro, HW-Meister
    Ort:
    Bonn und Kärnten/Österreich
    Benutzertitelzusatz:
    Ggf anrufen sofern sich’s im Rahmen hält…
    Die 3 m Seite hat die Dachschräge?
    Wo liegen die Sparren und in welchem Abstand?
    Eine niedrige Drempelwand würde ich einbauen und davor Einbauregale/Schrank.
    Wanne kann dichter daran stehen, zB bei hohem Fenster so dass man von der Wanne aus heraussehen kann-
    unten Stangen als Absturzsicherung montieren und als Handtuchaufhängung verwendbar- alternativ Festteil.

    Drempelwand direkt neben der Wanne so hoch bauen, dass die Armatur daran befestigt werden kann,
    also mind 70-75 cm hoch. Davor noch Ablage vorsehen und für leichten Einstieg weit genug einrücken.

    WC ist in Fensternähe sinnvoll- außer bei Stehpinklern keine Stehhöhe notwendig.
    Waschtisch nahe der Tür platzieren.
    Separate Dusche ist praktisch
    Im Bereich der Dachflächenfenster,ist die Stehhöhe erheblich größer- hier könnte also auch ein WC stehen
     
  5. #5 driver55, 05.04.2020
    driver55

    driver55

    Dabei seit:
    22.02.2008
    Beiträge:
    6.915
    Zustimmungen:
    1.827
    Beruf:
    Dipl.-Ing.
    Ort:
    Pforzheim
    Nein, wenn Kniestock NULL und Dachneigung 45°, bist bei einer Höhe von 130 cm bei der Wanne zur Schräge hin.

    Und auch die 180 cm Höhe am WB halte ich für grenzwertig.

    Schränke und Hand-/Badtuchhalter nicht vergessen.

    Das Zeichnen und Bemaßen muss aber auch noch geübt werden.:D
    Bemaßt ist ne 80er Wanne, gezeichnet eine 50er?
     
  6. #6 Kriminelle, 05.04.2020
    Zuletzt bearbeitet: 05.04.2020
    Kriminelle

    Kriminelle

    Dabei seit:
    16.05.2013
    Beiträge:
    3.799
    Zustimmungen:
    2.133
    Beruf:
    .
    Ort:
    Niedersachsen
    Handelt es sich um einen Neu- oder Altbau? Und wo müsste die Entwässerung sein? Was ist darunter? Wo der Abfluss geplant? Wieviel Personen nutzen das Bad?
    Zur Info: 2-Meter-Linie einzeichnen. Bei 45 Grad befindet sie sich in 2 Meter Tiefe.

    Und gibt es ein Fenster?
    Wanne und Waschbecken mit Stehfläche kollidieren hier.
    Das Bad hat noch nicht einmal 6qm :(
     
  7. #7 JPtm, 06.04.2020
    Zuletzt bearbeitet: 06.04.2020
    JPtm

    JPtm

    Dabei seit:
    10.05.2019
    Beiträge:
    996
    Zustimmungen:
    317
    Beruf:
    IT
    Ort:
    Thüringen
    Es handlet sich um einen Neubau. Eigentlich wird ein Altbau umgebaut, aber das DG muss komplett erneuert werden, d. h. das Dach + die Zwischenwände sind neu.
    Die aktuelle 2m Linie würde durch das Wachbecken + südlichen Bereich der Wanne gehen.
    Das Bad ist im DG und geplant als Bad für die Eltern (Schlafraum links vom Bad) + Wc für das angrenzende Wohnzimmer (rechts vom Bad). Die zwei Kinder haben im OG ein eigenes Duschbad. Vor dem Bad befindet sich eine Treppe. Wie beschrieben, kann ich die linken+rechten Wände noch leicht verschieben. Da ist Spielraum drin. Die Versorgungsleitungen kommen direkt and der Außenwand, obere linke Ecke hoch. Die Bodenbalken werden komplett erneuert und 24cm dick, d. h. die ganzen Abwasserleitungen können dort verschwinden. Das sollte sich mit den 24cm Balkenhöhe ausgehen.

    Aktuell überlege ich, ob ich Wb und Wc tausche und das Wc dabei noch 10cm zur Dusche verschiebe. Dann wäre für die rechte Schulter bei Benutzung ca 190cm Innenhöhe übrig.
    Bisher soll zwischen die Sparren ein kleines Fenster (66x118). Das können aber auch mehr oder größere werden. Wir sind da offen.Die Statik ist mit 12x18er Balken, mit Abstand 85 gerechnet. Das hat der Zimmermann aber leicht verändert da sich die 85 nicht genau auf die Gesamtlänge ausgehen. Je nachdem wo wir die endgültigen Innenwände planen wird es sich wohl im Bereich 75-80cm bewegen.
     
  8. #8 Kriminelle, 06.04.2020
    Kriminelle

    Kriminelle

    Dabei seit:
    16.05.2013
    Beiträge:
    3.799
    Zustimmungen:
    2.133
    Beruf:
    .
    Ort:
    Niedersachsen
    530B7FEF-9E92-477B-AC7E-1DEC03BF0973.jpeg
     
  9. JPtm

    JPtm

    Dabei seit:
    10.05.2019
    Beiträge:
    996
    Zustimmungen:
    317
    Beruf:
    IT
    Ort:
    Thüringen
    So grob könnten die 1m und 2m Linien liegen. Was sollen die X'se darstellen?
     
  10. #10 Kriminelle, 06.04.2020
    Kriminelle

    Kriminelle

    Dabei seit:
    16.05.2013
    Beiträge:
    3.799
    Zustimmungen:
    2.133
    Beruf:
    .
    Ort:
    Niedersachsen
    Das sind Abläufe...
     
  11. #11 JPtm, 12.04.2020
    Zuletzt bearbeitet: 12.04.2020
    JPtm

    JPtm

    Dabei seit:
    10.05.2019
    Beiträge:
    996
    Zustimmungen:
    317
    Beruf:
    IT
    Ort:
    Thüringen
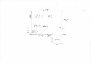
    Ich habe noch ein zweites Bad, im OG.
    Dort ist leider kein Fenster drin, da ich an eine Brandmauer grenze.
    Ich würde gerne die beiden Bereiche trennen, also WC und Bad. Ich denke am Bad-WB wird noch eine Vorwand entstehen.

    Was ich nicht weiß: Wie dick wird die gesamte Aufhängung von dem Wc sein? Dort bin ich mal auf 20cm. Reicht das?
    Werden die 105 x125cm Innenlänge im WC reichen? Das WB dort soll nur fürs Händewaschen sein. Die Badbreite beläuft sich auf 130 cm Innenbreite

    Überlegenswert wäre, die Dusche auf 90x70 verkleinern und dann um 90° drehen. So könnte ich noch 20cm mehr WC Länge rausschinden.
    Die Bad-Tür wäre in zwei Varianten denkbar, je nachdem wo man das WB plaziert. Die innenöffnende Variante T2 würde ich bevorzugen.

    Das Bad befindet sich unterhalb des obig genannten Bades. Aber hier sind die Wände durch die bestehenden Mauern vorgegeben.

    Ps: In diesem Geschoss befinden sich die beiden Kinderzimmer+ Küche + Gäste/Arbeitsraum.
     

    Anhänge:

  12. JPtm

    JPtm

    Dabei seit:
    10.05.2019
    Beiträge:
    996
    Zustimmungen:
    317
    Beruf:
    IT
    Ort:
    Thüringen
    Ich aktiviere noch einmal diesen Thread.
    Ich will jetzt mit den Innenwänden anfangen.

    Bisher wolte ich die WC-Halterung aus 80/160 KVH oder so bauen. Das ist aber blöde für den Rest der Wand. Da muss alles exakt sein sonst bekomme ich Wandbiegungen beim Übergang Holz-Metallständerwerk.
    Kann ich die Halterung (da wo 105/20 steht) auch aus den Trockenbauprofilen bauen? Würden die die Kippmomente vom WC-Ständer aushalten?

    Bisher ist es eine Fläche von 250x245cm.
     
    simon84 gefällt das.
Thema:

Badinspiration