Fenstertausch Altbau mit höherer Fensterbank außen als innen

Diskutiere Fenstertausch Altbau mit höherer Fensterbank außen als innen im Fenster/Türen Forum im Bereich Neubau; Hallo Zusammen! Ich muß in einem Altbau (1968) in der Küche ein altes Fenster austauschen. Die aktuelle Einbausituation habe ich in der Skizze...

  1. #1 Aerologic27, 07.03.2024
    Aerologic27

    Aerologic27

    Dabei seit:
    07.03.2024
    Beiträge:
    13
    Zustimmungen:
    0
    Hallo Zusammen!

    Ich muß in einem Altbau (1968) in der Küche ein altes Fenster austauschen. Die aktuelle Einbausituation habe ich in der Skizze dargestellt.

    Aktuelle Situation (s. Skizze 1):
    Anders als ja anscheinend im Altbau üblich ist die Fensterbank außen höher als die Fensterbanktraverse innen (es gibt kein innenliegendes Fensterbrett). Das Fenster "steht" auf einen dünnen Holzprofil, welches widerum auf der Mauer "steht". Der Raum zwischen der Mauer, dem Fenster und diesem Profil ist mit Bauschaum ausgefüllt. Dass diese Konstruktion Fäuchteschäden verursacht hat dürfte klar sein.

    Zukünftige Situation:
    Meine Frage ist nun wie das neue Fenster am besten eingebaut wird? Die Fensterbank außen (sie hat übrigens ein Gefälle nach außen) soll bleiben.

    Mein Fenstermonteur sagte er würde (s. Skizze 2):
    • von innen betrachtet die Mauer auffüllen mit Beton bis zur Oberkante der Fensterbank außen, so daß quasi eine ebene Fläche wie in einem Neubau entsteht.
      kann das gehen? ist der Spalt zwischen diesem Beton und der Fensterbank dauerhaft dicht zu bekommen?
    • dann das Fenster direkt auf den neuen Beton setzen ohne Anschlußprofil. Ich dachte man sollte immer ein solches Profil haben, sei es Alt- oder Neubau?
    Also, da ich kein Fachmann bin würde ich sehr über fachkundigen Rat freuen vor allem wie man diese Situation "dicht" bekommt.

    Vielen Dank!


    Iststand:
    Skizze Iststand.jpg

    Konzept Fensterbauer:
    Skizze Planungsstand.jpg

    Fotos:
    20240305_132634880_iOS.jpg
    20240305_141458004_iOS.jpg
     
  2. #2 das ICH, 07.03.2024
    das ICH

    das ICH

    Dabei seit:
    08.04.2023
    Beiträge:
    597
    Zustimmungen:
    328
    Beruf:
    öbuv Tischlerhandwerk
    Ort:
    Dortmund
    Ich würde unten auf jeden Fall ein Fensterbankanschlussprofil mit Ausladung nehmen, dann ggf. noch eine Rahmenverbreiterung zwischen dem FBA und dem Blendrahmen und das neue Fenster dann mit Unterlicht, dann musst du die Arbeitsplatte nicht immer frei räumen.
    ich habe meine Zweifel, dass er die Abdichtung beim Aufmauern dauerhaft dicht bekommt.
     
    fegu gefällt das.
  3. #3 Aerologic27, 07.03.2024
    Aerologic27

    Aerologic27

    Dabei seit:
    07.03.2024
    Beiträge:
    13
    Zustimmungen:
    0
    Danke für die Antwort - Unterlicht ist geplant!

    Bin mir nicht sicher, ob ich den Rest wirklich verstanden habe :confused:

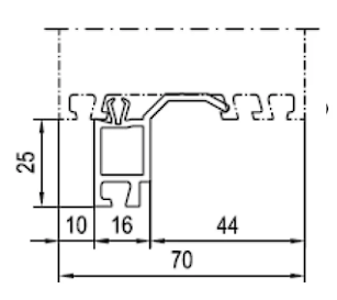
    FBA:
    Das FBA ausladend auf die Oberfläche der Fensterbank außen:
    - d.h. Du meinst ein "Altbau"-FBA wie dieses hier?
    - d.h. ich setze wie beim jetzigen Fenster die Fensterunterkante z.B. 25 mm über die Oberkante Fensterbank außen und "ersetze" das dünne Holzprofil mit der FBA?
    - was mache ich dann mit dem großen Hohlraum zwischen Fenster und Mauer, der dann ja dann ca. 6 cm hoch ist?
    upload_2024-3-7_19-42-47.png
     
  4. #4 Fabian Weber, 07.03.2024
    Fabian Weber

    Fabian Weber

    Dabei seit:
    03.04.2018
    Beiträge:
    16.387
    Zustimmungen:
    6.519
    Warum, das ist doch ein Holzfenster?
     
  5. #5 Aerologic27, 07.03.2024
    Aerologic27

    Aerologic27

    Dabei seit:
    07.03.2024
    Beiträge:
    13
    Zustimmungen:
    0
    Hallo, ich verstehe die Frage nicht.
     
  6. #6 Fabian Weber, 07.03.2024
    Fabian Weber

    Fabian Weber

    Dabei seit:
    03.04.2018
    Beiträge:
    16.387
    Zustimmungen:
    6.519
    Ich verstehe nicht, warum ein anscheinend intaktes Holzfenster getauscht werden muss.

    Wenn es um einen besseren Dämmwert geht, dann reicht doch ein Scheibentausch aus.
     
  7. #7 Aerologic27, 07.03.2024
    Aerologic27

    Aerologic27

    Dabei seit:
    07.03.2024
    Beiträge:
    13
    Zustimmungen:
    0
    Der Rahmen ist unten komplett morsch und wir möchten ein Fenster mit Unterlicht.
    Daher würde ich mich freuen zu meiner ursprünglichen Frage Ratschläge zu bekommen.
     
  8. #8 Fabian Weber, 07.03.2024
    Fabian Weber

    Fabian Weber

    Dabei seit:
    03.04.2018
    Beiträge:
    16.387
    Zustimmungen:
    6.519
    Ok, ich finde den Vorschlag vom Fensterbauer vernünftig.
     
  9. #9 das ICH, 08.03.2024
    das ICH

    das ICH

    Dabei seit:
    08.04.2023
    Beiträge:
    597
    Zustimmungen:
    328
    Beruf:
    öbuv Tischlerhandwerk
    Ort:
    Dortmund
    ICH würde es so ausführen: 50 mm Verbreiterung und dann z.B. das 120 206 - die ca. 30 mm kannst du dann noch Schäumen, stopfender oder auch ausgießen.
    Und zur inneren Steinfensterbank passt noch ein Dichtband.
    upload_2024-3-8_6-37-56.png
     
    Fabian Weber gefällt das.
  10. #10 Aerologic27, 08.03.2024
    Aerologic27

    Aerologic27

    Dabei seit:
    07.03.2024
    Beiträge:
    13
    Zustimmungen:
    0
    Danke für die Antwort!

    Meinst Du so wie in der Skizze?
    Wie bekomme ich dann die Fuge zwischen Fensterbrett, Verbreiterung und FBA dicht?
    Da läuft doch permanent das Wasser dran vorbei oder habe ich etwas falsch verstanden?

    Planung neu1.jpg
     
  11. #11 Fabian Weber, 08.03.2024
    Fabian Weber

    Fabian Weber

    Dabei seit:
    03.04.2018
    Beiträge:
    16.387
    Zustimmungen:
    6.519
    Na darum ja die Lasche am Profil, die leitet das Wasser doch weg.
     
  12. #12 Aerologic27, 08.03.2024
    Zuletzt bearbeitet: 08.03.2024
    Aerologic27

    Aerologic27

    Dabei seit:
    07.03.2024
    Beiträge:
    13
    Zustimmungen:
    0
    Es tut mir leid, aber ich stehe komplett auf dem Schlauch :irre

    Das FBA wird doch folgendermaßen montiert, wo leitet denn da die Lasche das Wasser weg?

    Oder kann ich das FBA drehen und dann in die linke Nut der Verbreiterung einrasten?
    Falls ja, dann die letzte Frage. Wie dichte ich dann das Fenster diffusionsoffen, da ich ja keine Folie kleben kann, ohne sie dann auf der Fensterbank zu sehen?

    upload_2024-3-8_13-47-9.png
     
  13. #13 das ICH, 08.03.2024
    Zuletzt bearbeitet: 08.03.2024
    das ICH

    das ICH

    Dabei seit:
    08.04.2023
    Beiträge:
    597
    Zustimmungen:
    328
    Beruf:
    öbuv Tischlerhandwerk
    Ort:
    Dortmund
    Ah ok - jetzt verstehe ich den Schlauch ;) Sorry, ich habe nicht richtig geguckt und dann nicht nachgedacht.
    Von der Geometrie des 120 206 würde ich denken, du kannst es nicht drehen, denn dann hast du eine V-Fuge direkt vor dem Blendrahmen wo das Wasser nicht ablaufen kann - das ist genauso schlecht als wenn du die Fuge Steinbank/Blendrahmen nur versiegelst.
    Einfach mal den Händler sagen, dass du auf jeden Fall ein FBA mit Ausladung haben willst.

    Die beiden sind von Veka und überdedcken die Anschlussfuge schön weit. Du kannst eine Rundschnur waagerecht einlegen und dann versiegeln - selbst wenn die Fuge dann abreist wird der Wind das Wasser nicht reindrücken und Kapilare hast du da nicht zu befürchten. Du musst also "nur noch" rechts und links zur Bausubstanz sauberst abdichten und regelmäßig kontrollieren^^

    upload_2024-3-8_16-29-2.png
     
  14. #14 Aerologic27, 09.03.2024
    Aerologic27

    Aerologic27

    Dabei seit:
    07.03.2024
    Beiträge:
    13
    Zustimmungen:
    0
    Alles klar. Danke
     
Thema:

Fenstertausch Altbau mit höherer Fensterbank außen als innen

Die Seite wird geladen...

Fenstertausch Altbau mit höherer Fensterbank außen als innen - Ähnliche Themen

  1. Fenstertausch im Altbau mit Klinkervorsatzschale und Luftspalt

    Fenstertausch im Altbau mit Klinkervorsatzschale und Luftspalt: Hallo zusammen, mich beschäftigt aktuell eine Frage zum Fenstertausch im Altbau. Altes Fenster wurde entfernt, Laibungsputz abgeschlagen. Dabei...
  2. Wandanschluss bei Fenstertausch im Altbau

    Wandanschluss bei Fenstertausch im Altbau: Hallo zusammen, wir haben grad schlaflose Nächte hinter uns. Haben bei einem Altbau die Fenster tauschen lasse. Die Maße haben überhaupt nicht...
  3. Altbau Fenstertausch mit späterer Fassadendämmung

    Altbau Fenstertausch mit späterer Fassadendämmung: Guten Abend, Ich habe vor 2 Jahren ein Haus aus den 60ern gekauft. Nach der der Sanierung innen sollen in den nächsten zwei Jahren die Fenster und...
  4. Fenstertausch im Altbau

    Fenstertausch im Altbau: Hallo wir haben gerade ,dass Haus meiner Mutter übernommen. Und da sind alte Fenster drin ca. 35 Jahre alt (Kunststoff 2 Scheiben) da dies nicht...
  5. Fenstertausch Altbau - Schaum oder Kompriband?

    Fenstertausch Altbau - Schaum oder Kompriband?: Hallo zusammen, wir stehen kurz vor dem Fenstertausch in unserem Altbauobjekt. Dieses ist Baujahr 65 und das Mauerwerk besteht aus einem...