LED Lampe mit normalem Taster dimmen (Push -Dimm)

Diskutiere LED Lampe mit normalem Taster dimmen (Push -Dimm) im Elektro 2 Forum im Bereich Haustechnik; Hallo zusammen, wir haben eine LED Leuchte an ein „ganz normales“ Stromkabel welches mit einem Taster gesteuert wird montiert. Die Lampe kann...

  1. #1 PK991, 13.09.2024
    Zuletzt bearbeitet: 13.09.2024
    PK991

    PK991

    Dabei seit:
    15.01.2024
    Beiträge:
    37
    Zustimmungen:
    5
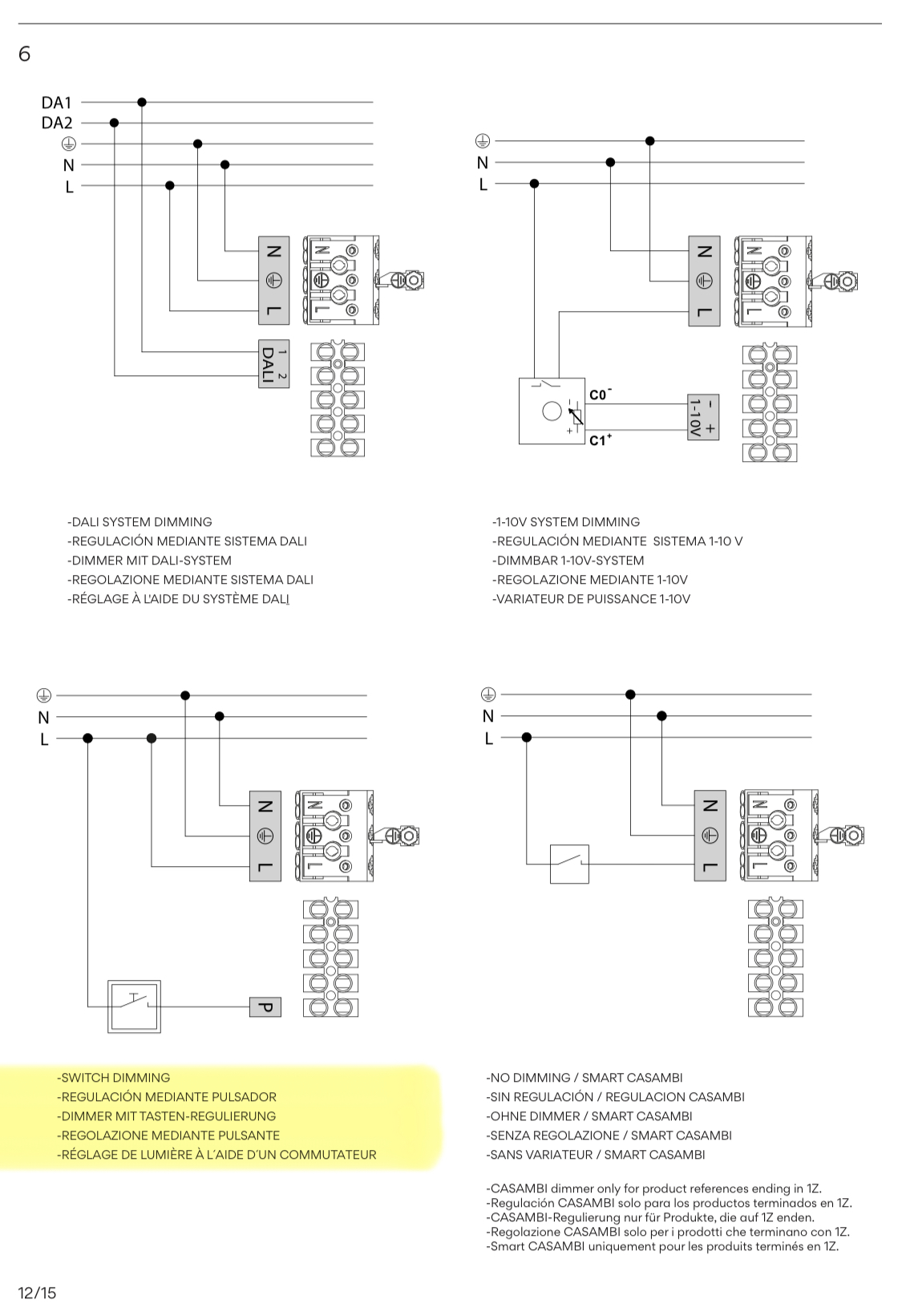
    Hallo zusammen,
    wir haben eine LED Leuchte an ein „ganz normales“ Stromkabel welches mit einem
    Taster gesteuert wird montiert. Die Lampe kann grundsätzlich über 3 Taster geschaltet werden
    Die Leuchte ist grundsätzlich dimmbar über die Steuerungen: 1-10V, DALI oder Push.
    Was ist denn die beste und einfachste Möglichkeit wie ich mit dem Lichtschalter die Lampe dimmen kann? Nach bisheriger Recherche glaube ich, dass „Push“ das richtige ist, jedoch weiß ich nicht ob ich dazu noch ein Modul benötige und wie ich dieses anschließen muss. Kann mir da jemand weiterhelfen?

    Zusätzlich bin ich noch auf das Zigbee LED Dimm-Modul gestoßen und da könnte ich die Lampe in mein Apple Homekit oder Phillips Hue Netzwerk integrieren. Würde auch das bei meiner Lampe auch funktionieren?

    Anbei noch die Infos zu der Leuchte und ein Auszug aus der Anleitung.
    Vielen Dank vorab.
    IMG_2794.jpeg IMG_2802.jpeg
     
  2. #2 Huizhaecka, 04.10.2024
    Huizhaecka

    Huizhaecka

    Dabei seit:
    10.05.2024
    Beiträge:
    91
    Zustimmungen:
    39
    wie viele Adern kommen denn an der Lampe an? Laut dem Bild braucht man mindestens vier.
     
  3. Markl

    Markl

    Dabei seit:
    09.11.2023
    Beiträge:
    197
    Zustimmungen:
    21
    Ja das würde funktionieren mit dem Dimm Modul, es reicht das das Dimm Modul angesprochen wird vom Zigbee der Controller steuert dann die Lampe.
     
  4. PK991

    PK991

    Dabei seit:
    15.01.2024
    Beiträge:
    37
    Zustimmungen:
    5
    Ist nur ein normales 3-Adriges Kabel in der Wand.
    Habe jetzt ein Modul (Casambi Lichtsteuerung CBU-ASD DALI) verbaut. Funktioniert grundsätzlich, aber beim ein/aufschalten blitzt die Lampe jeweils kurz auf. Woran kann das denn liegen?
     
Thema:

LED Lampe mit normalem Taster dimmen (Push -Dimm)

Die Seite wird geladen...

LED Lampe mit normalem Taster dimmen (Push -Dimm) - Ähnliche Themen

  1. Serienschalter für 2 Lampen mit nur 2 Kabeln?

    Serienschalter für 2 Lampen mit nur 2 Kabeln?: Hallo zusammen, in dem von uns aktuell noch bewohnten Miethaus haben wir relativ viele Philips Hue Lampen im Einsatz gehabt. Unter anderem auch...
  2. Lampe im Außenbereich anschließen

    Lampe im Außenbereich anschließen: Hallo ich bin gerade dabei eine Stehlampe/Laterne im Außenbereich zu installieren. Die Kabel werden einfach nur mit einer Lüsterklemme befestigt....
  3. Lampe an Betondecke aufhängen. Loch um Lampenauslass zu groß bzw. ausgebrochen.

    Lampe an Betondecke aufhängen. Loch um Lampenauslass zu groß bzw. ausgebrochen.: Hallo, ich wollte an unserer Betondecke eine La pe aufhängen. Leider ist das Loch um den Lampenauslass schon seit Anfang an sehr stark...
  4. Befestigung von Lampe/Aufhängung in Deckendose möglich?

    Befestigung von Lampe/Aufhängung in Deckendose möglich?: Hallo zusammen, Ich bin umgezogen und wollte eben meine Lampenfassungen anschließen und aufhängen. Ich würde gerne wissen, ob ich den Wald vor...
  5. Befestigung Lampe an Fassade

    Befestigung Lampe an Fassade: Hallo zusammen. Ich möchte gerne die Halterungsplatte einer Außenlampe an der Fassade befestigen. Vor WDVS und Putz habe ich eine kopos mdz 300...