Mauerwerksabrechnung nach VOB

Diskutiere Mauerwerksabrechnung nach VOB im Bauvertrag Forum im Bereich Rund um den Bau; Hallo, ich habe eine Frage zur Abrechnung von Mauerwerk nach DIN18330. Wir haben direkt unter der Zwischendecke im Erdgeschoss einen...

  1. FrankB

    FrankB

    Dabei seit:
    23.04.2018
    Beiträge:
    5
    Zustimmungen:
    1
    Hallo,
    ich habe eine Frage zur Abrechnung von Mauerwerk nach DIN18330.
    Wir haben direkt unter der Zwischendecke im Erdgeschoss einen Stahlbetonbalken sitzen, der die Terrassentür und ein Fenster überspannt. Dieser Balken ist einzeln ausgeschrieben.
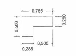
    Die Maße des Balkens sind BxH 5,65m x 0,5m. Der horizontale "Schenkel" des Balkens liegt in der Ebene der Elementdecke.

    Meine Frage: Wird der Balken bei der Berechnung des Mauerwerksaufmaßes übermessen?

    Dankeschön!
    Frank
     

    Anhänge:

  2. FrankB

    FrankB

    Dabei seit:
    23.04.2018
    Beiträge:
    5
    Zustimmungen:
    1
    Ich sehe gerade, dass die Schnittdarstellung falsch ist. Die Maßzeichung des Balkens entspricht dem Ist-Zustand, neben dem L-förmigen Balken kommt das erste Deckenelement.
     
  3. #3 Fabian Weber, 23.04.2018
    Fabian Weber

    Fabian Weber

    Dabei seit:
    03.04.2018
    Beiträge:
    16.363
    Zustimmungen:
    6.503
    Der Balken wird abgezogen, weil es sich um einen sogenannten Unterzug handelt, ist quasi das gleiche, als wär die Decke an dieser Stelle niedriger. Sparst Du vielleicht 50€, weil 1,3m2 MW entfallen.

    grüße fabian
     
  4. FrankB

    FrankB

    Dabei seit:
    23.04.2018
    Beiträge:
    5
    Zustimmungen:
    1
    Hallo Fabian,
    es ist schon ein wenig mehr. Einerseits, weil wir monolithisch mit Ziegel bauen, der entsprechend teuer ist, andererseits wird dadurch ein Fenster größer als 2,5m² und wird nicht mehr übermessen. In der Summe sind das ca. 450€.
    Unterzug ist jetzt erstmal das Stichwort für weitere Recherchen. Vielen Dank!
     
  5. #5 Fabian Weber, 23.04.2018
    Fabian Weber

    Fabian Weber

    Dabei seit:
    03.04.2018
    Beiträge:
    16.363
    Zustimmungen:
    6.503
    In Deinem Fall ist es also ganz einfach:

    Nur das, was Du an Mauerwerk sehen kannst wird tatsächlich abgerechnet. weil Deine Rohbauöffnung für das Fenster ja größer als 2,5m2 ist, darf diese nicht abgerechnet werden. Ein Unterzug ist kein Mauerwerk, darf also nicht mit abgerechnet werden. Der wird über die Betonarbeiten bezahlt. Spannend wird es nur wenn die Wand noch andere Späße wie HK-Nieschen oder ähnliches hätte, das klang jetzt erstmal nicht so bei Dir.

    Eine Frage, wer hat es denn ausgeschrieben und wer macht die Bauleitung und Rechnungsprüfung? Wenn ich etwas ausschreibe, dann mach ich erstmal eine Massenermittlung und wenn sich danach nichts mehr am Entwurf geändert hat, dann sollte diese auch bis auf wenige cm2 passen. Der Ausschreiber kann Dir doch dann genau die Fragen alle beantworten.

    grüße fabian
     
  6. FrankB

    FrankB

    Dabei seit:
    23.04.2018
    Beiträge:
    5
    Zustimmungen:
    1
    Ausgeschrieben hat es unser Architekt. Der ist auch für die Rechnungsprüfung zuständig und hat die Rechnung (inkl. ein paar anderer strittiger "Kleinigkeiten" im Gesamtwert von knapp 1000€) einfach durchgewunken.
    Die Ausschreibung krankt leider an der Tatsache, dass unser Planer bei der Erstellung nicht berücksichtigt hat, dass Öffnungen über 2,5m² übermessen werden. Daher stimmt die Mengenermittlung von Anfang an nicht und er gibt sich ziemlich stur im Bezug darauf.
     
  7. #7 Fabian Weber, 23.04.2018
    Fabian Weber

    Fabian Weber

    Dabei seit:
    03.04.2018
    Beiträge:
    16.363
    Zustimmungen:
    6.503
    Sagen Dir die Begriffe Kostenschätzung, Kostenberechnung, Kostenanschlag und Kostenfeststellung etwas? Dies ist die Abfolge der Bestimmung der Kosten am Bau je nach Planungsstadium. Zwischen Kostenberechnung und Kostenanschlag darf das Projekt max. 20% Abweichen, sonst ist der Architekt für die Mehrkosten mit in Verantwortung zu nehmen.

    Wie die Berechnungen anzustellen sind regelt genau die Honorarordnung des Architekten.

    Es kommt also darauf an, für einen Vertrag Ihr mit dem Architekten habt und ob alle Leistungsphasen komplett beauftragt sind.

    Wenn es nur eine Abschlagsrechnung beim Rohbauer war und dieser an anderer Stelle zum Zeitpunkt der Zahlung schon weitere noch nicht abgerechnete Leistungen abgerechnet hat kann er eine Rechnung auch mal durchwinken. Am Ende zählt nur die Schlussrechnung, die muss dann aber auch richtig geprüft sein.

    Sollte eine Teilmenge mehr als 10% Abweichung gegenüber der LV-Menge haben darf der Einheitspreis neu verhandelt werden. Bei Massenmehrung wird der EP dann meistens günstiger.

    Grüße fabian
     
  8. JaPie

    JaPie

    Dabei seit:
    07.05.2021
    Beiträge:
    1
    Zustimmungen:
    0
    Guten Tag,

    ich würde das Thema gerne nochmal aufgreifen, da ich ähnliche Situationen habe.

    Situation 1:

    ein Fenster 0,9 m breit, 2,6 m hoch. Darüber ein Unterzug, 0,25 m hoch.
    je nach dem wie ich die Situation beurteile, muß ich die Öffnung halt abziehen oder eben nicht.

    in frage kommende Übermessungsregel laut 18330:

    - Stürze, Rollladenkästen, Überwölbungen und Entlastungsbögen werden übermessen.
    - Unterbrechungen der Mauerwerksfläche <= 30 cm durch stabförmige Bauteile, z.b. durch Fachwerkteile, Stützen, Vorlagen
    - Aussparungen <= 2,5 m2 Einzelgröße, wie Öffnungen (auch raumhoch), Nischen und Durchdringungen, Z.b. von Deckenplatten, Kragplatten; bei der Ermittlung der Einzelgröße sind die kleinsten Maße der Aussparung zugrunde zu legen.

    Kann ich den Unterzug als eines der solchen geltend machen und somit übermessen, bzw. wird die Öffnung und der Unterzug jeweils für sich gerechnet? Die jeweiligen Flächen wären ja für sich unter 2,5 m2 und somit würde eh durchgerechnet werden.

    Grüße, Jan.
     
Thema: Mauerwerksabrechnung nach VOB
Besucher kamen mit folgenden Suchen
  1. abrechnung mauerwerk

    ,
  2. abrechnung mauerwerk cbm

    ,
  3. VOB Mauerwerkabrechnung

    ,
  4. Mauerwerksabrechnung nach VOB,
  5. mauerwerksabrechnung nach neuer vob,
  6. vob abrechnung von mauerwerk