Pufferspeicher verliert im WW schnell an Temperatur

Diskutiere Pufferspeicher verliert im WW schnell an Temperatur im Heizung 1 Forum im Bereich Haustechnik; Hallo zusammen, wir haben seit jetzt bald eineinhalb Jahren eine Wärmepumpe und damit einen Pufferspeicher "Citrin Solar WP-SKS 650-1 premium"...

  1. Birdie

    Birdie

    Dabei seit:
    07.02.2007
    Beiträge:
    178
    Zustimmungen:
    1
    Beruf:
    angestellter
    Ort:
    Berngau
    Hallo zusammen,

    wir haben seit jetzt bald eineinhalb Jahren eine Wärmepumpe und damit einen Pufferspeicher "Citrin Solar WP-SKS 650-1 premium"

    Nun beobachten wir folgendes und sind da nun schon eine ganze Weile mit dem Installateur, der auch den Hersteller Citrin mit dazu geholt hat.
    Gefühlt versucht hier einer dem anderen die Schuld zuzuschieben, eine Lösung sehen wir aber nicht bisher.

    Effekt im WINTER, also wenn die Heizung läuft
    Unterer Bereich des Puffers liegt bei ~30-35 °C Heizungen funktionieren alle OK.

    WW Bereich oben wird auf 50 °C erwärmt ab 15:30 Uhr, damit wenn vorhanden PV Strom benutzt wird.
    Nun sehen wir und FÜHLEN auch, dass das Wasser relativ schnell wieder runter kühlt.

    Wir verlieren also innerhalb weniger Stunden ~15 °C im WW Bereich, auch ohne jegliche WW-Entnahme.
    Im Resultat haben wir schön mit PV aufgewärmtes Wasser um 15:30/16:00, aber wenn man abends, sagen wir mal um 22 Uhr Duschen möchte, reicht das WW nicht mehr.
    Von einer Badewanne ganz zu schweigen.

    Zusammen mit dem Installateur wurde u.a. ein Versuch gemacht, der alle(!) Vor- und Nachläufe sowie sonstige Verbindungen zum Speicher , Zirkulation, Solar usw geschlossen hat.
    Vorher einmal WW auf Temperatur gebracht.
    Im gesamten Bereich der Aufzeichnung wurde KEIN WW entnommen!

    IMG_6576.png
    (die drei ganz dünnen, orangen Balken sind nur Markierungen, keine WW-Aufbereitung!)

    Zum Vergleich im SOMMER:
    hier wird der komplette Speicher von der Solarthermie auf dem Dach auf 55 °C gebracht, also oben und unten.
    Der Wärmeverlust beträgt jetzt von Abends (Sonnenuntergang) bis zum nächsten Mittag, wenn die Sonne wieder auf die Solarthermie-Module kommt, nur ca 3 °C.
    Selbst, wenn hier dann mal einen Tag danach keine Sonne scheint, bleibt der Temperaturverlust mit ~8 °C über dann ZWEI Tage im Rahmen.



    Meine Frage nun:
    Ist so ein drastischer Wärmeverlust des Speichers normal und zu akzeptieren, oder liegt hier ein Fehler vor?

    Wäre es sinnvoll, den Speicher NUR für WW zu benutzen und die Heizung somit direkt an die Wärmepumpe anzuschiessen? Das war eine schon diskutierte Idee des Installateurs. (Meine Bedenken sind evtl. steigende Zahl Konverterstarts, was der Installateur meint, wäre nicht der Fall, da die Anlage "Moduliert" und statt an/auf dann durchgängig mit der niedrigeren, nötigen Leistung laufen würde.)
    Bei der Idee wäre im Heizkreis KEIN Puffer mehr.

    Viessmann Vitocal 250 A

    Im Haus sind aktuell 2 Heizkreise, was mit den aktuellen Einstellungen gut funktioniert.
    1. Fußbodenheizung Wohn/Esszimmer ~40 qm (Heizkurve Niveau 4 Steigung 0,2)
    2. Heizkörper ~120 qm (Heizkurve Niveau 5 Steigung 0,4)
    Beide Kreise sind aber auf 30 °C max Vorlauf limitiert


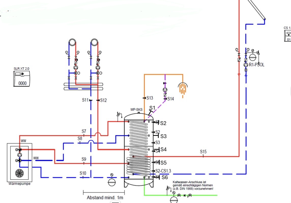
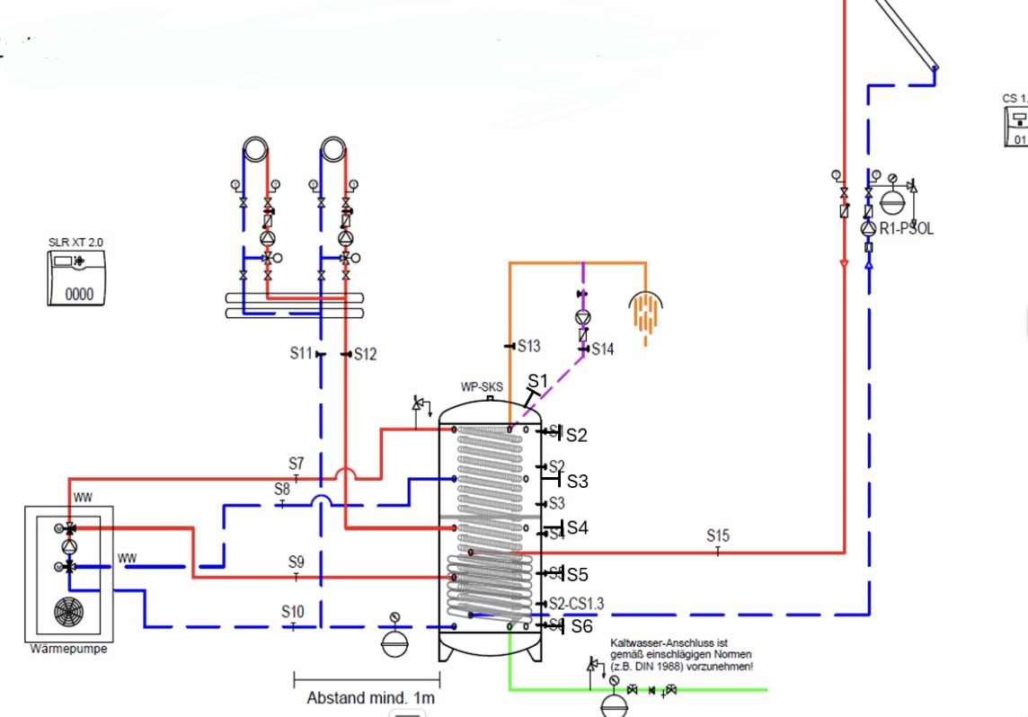
    Aktuell ist die Anlage so angeschlossen/aufgebaut
    IMG_6562.jpeg
     
  2. SIL

    SIL

    Dabei seit:
    06.05.2018
    Beiträge:
    10.865
    Zustimmungen:
    4.212
    Beruf:
    M. Sc. Dipl. Ingenieur
    Ort:
    6210
    Nein , nein und ja.
    Entweder hydraulisch 'verklemmt' oder ein Ventil arbeitet nicht richtig oder ein Sensor / Fühler ,bei so relativ neuer Anlage schließe ich einen Bruch im WT oder intern im Puffer aus.
    Es scheint als ob der HK Kreislauf hier dem WW Temperatur über den WT entzieht oder dein Solarkreislauf

    Kannst probieren, du bist ja noch in der Gewährleistung allerdings entspricht die Anlage vermutlich nicht mehr der vertraglichen Leistung und inwiefern dann Kosten für dich entstehen oder die Gewährleistung erlischt kann ich nicht beurteilen.
     
  3. Birdie

    Birdie

    Dabei seit:
    07.02.2007
    Beiträge:
    178
    Zustimmungen:
    1
    Beruf:
    angestellter
    Ort:
    Berngau
    Ich will das nicht selbst machen.
    Anfang Januar gibt’s ein Gespräch mit dem Installateur und bis dahin möchte ich versuchen raus zu bekommen, ob das was die schin vorgeschlagen haben sinnvoll ist, Ggfls Probleme macht und so weiter.
    Die haben schon selbst gesagt, das so ein Temperaturverlust nicht normal ist und es ist auch als Mangel gemeldet.
     
  4. #4 Fabian Weber, 22.12.2025
    Fabian Weber

    Fabian Weber

    Dabei seit:
    03.04.2018
    Beiträge:
    16.387
    Zustimmungen:
    6.519
    Den Speicher nur für Warmwasser ist die beste Idee und die Effizienz der Wärmepumpe wird dadurch auch noch steigen.

    Habt Ihr wirklich zwei Heizkreise?

    Ein Heizkreis könnte wahrscheinlich über die Pumpe der Wärmepumpe laufen und der zweite Heizkreis dann über eine Mischergruppe laufen.

    Und die Mindest-Abtaumenge müsste dann noch über ein Überströmventil sichergestellt werden.
     
  5. #5 nordanney, 22.12.2025
    nordanney

    nordanney

    Dabei seit:
    15.09.2021
    Beiträge:
    6.497
    Zustimmungen:
    3.778
    Beruf:
    Finanzierer/Investor/Bau- und Sanierungslaie
    Ort:
    Niederrhein
    Genau deshalb bin ich ein riesiger Freund von "ohne Puffer". Würde nie eine Heizung so bauen (selbst schon zwei eigene ohne Puffer geplant und gebaut - mit FBH und mit Heizkörpern), Speicher nur für WW.
     
    chris84, Jo Bauherr und Fred Astair gefällt das.
  6. Birdie

    Birdie

    Dabei seit:
    07.02.2007
    Beiträge:
    178
    Zustimmungen:
    1
    Beruf:
    angestellter
    Ort:
    Berngau
    Ja wie beschrieben sind hier zwei Kreise (historisch von der Gastherme vorher)
    Nötig ist das vermutlich nicht, da die Heizkurven fast identisch laufen, was auch ausreicht
     
  7. #7 Fabian Weber, 22.12.2025
    Fabian Weber

    Fabian Weber

    Dabei seit:
    03.04.2018
    Beiträge:
    16.387
    Zustimmungen:
    6.519
    Eine Ferndiagnose ist nicht immer einfach, aber wenn man annimmt, dass die Druckverluste im beiden Kreisen nicht so hoch sind, dann sollte man doch versuchen diese zueinander abzugleichen (z.B. mit einem Strangregulierventil). Dann würde man sich die Mischergruppe mit der zusätzlichen zweiten Pumpe komplett sparen.
     
Thema:

Pufferspeicher verliert im WW schnell an Temperatur

Die Seite wird geladen...

Pufferspeicher verliert im WW schnell an Temperatur - Ähnliche Themen

  1. Abstand LWP zu Pufferspeicher - Abstand zwischen den beiden

    Abstand LWP zu Pufferspeicher - Abstand zwischen den beiden: Hallo euch allen, wir planen, unsere 25 Jahre alte Gasheizung gegen eine LWP (Monoblock) auszutauschen. Der Installateur kommt nächste Woche zum...
  2. Waterkotte AI1e - 13-20 Starts - Pufferspeicher erforderlich?

    Waterkotte AI1e - 13-20 Starts - Pufferspeicher erforderlich?: Hallo, ich bin beeindruckt von der Expertise in diesem Forum. Wir betreiben eine Waterkotte AI1e (LW-Pumpe) seit 10 Jahren und waren auch sehr...
  3. LW-Wärmepumpe: Ist ein Pufferspeicher erforderlich?

    LW-Wärmepumpe: Ist ein Pufferspeicher erforderlich?: Guten Abend, wir bekommen dieses Jahr eine LW-Wärmepumpe für unsere DHH (BJ 2001). Der Heizbedarf wurde nach DIN mit 7 kw berechnet, in beiden...
  4. Pelletheizung: Pufferspeicher undicht, überdruck?

    Pelletheizung: Pufferspeicher undicht, überdruck?: Einen schönen guten Abend, Wir sind im Begriff eine Immobilie zu erwerben, soweit so schön. Als Heizung kommt eine Pelletheizung mit...
  5. Panasonic Aquarea Wärmepumpe FBH ERR ohne Pufferspeicher sinnvoll?

    Panasonic Aquarea Wärmepumpe FBH ERR ohne Pufferspeicher sinnvoll?: Hey Leute, ich habe eine Frage zur Wärmepumpe und Einzelraumregelung, vielleicht weiß ja der ein oder andere Profi hier was dazu. Natürlich hab...