Viessmann Vitodens 200 brummt immer wieder, dies sei "eigentlich normal"!?

Diskutiere Viessmann Vitodens 200 brummt immer wieder, dies sei "eigentlich normal"!? im Heizung 1 Forum im Bereich Haustechnik; So wie du das gezeichnet hast trennt der WT den FBH Heizkreis nicht .... Wenn das ne Systemtrennung miemen soll, dann kann auf der Sekundärseite...

  1. #41 Achim Kaiser, 29.11.2012
    Achim Kaiser

    Achim Kaiser

    Dabei seit:
    29.10.2005
    Beiträge:
    7.471
    Zustimmungen:
    9
    So wie du das gezeichnet hast trennt der WT den FBH Heizkreis nicht ....

    Wenn das ne Systemtrennung miemen soll, dann kann auf der Sekundärseite *nur* die FBH mit Pumpe und Sicherheitseinrichtungen wirken.
    Eine Verbindung (hier die Rücklaufleitung) zur Primärseite kanns/darfs nicht geben ....

    Zudem brauchts ne *Umschaltung* für Heizung / Warmwasser.
    Da wirds unter der geräteinternen Pumpe (bezeichnet als WW-Pumpe) noch ein 3-Wege Umschaltventil geben ...

    Gruß
    Achim Kaiser
     
  2. #42 Achim Kaiser, 29.11.2012
    Achim Kaiser

    Achim Kaiser

    Dabei seit:
    29.10.2005
    Beiträge:
    7.471
    Zustimmungen:
    9
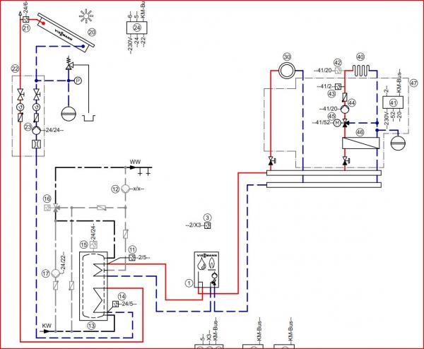
    Vermutlich ....
    sollte das Schema so oder so ähnlich aussehen :

    Schema Gas BW FBH mit Systemtrennung.jpg

    Gruß
    Achim Kaiser
     
  3. #43 forforum, 29.11.2012
    forforum

    forforum

    Dabei seit:
    27.11.2012
    Beiträge:
    56
    Zustimmungen:
    0
    Beruf:
    GaLa
    Ort:
    BW
    Hallo Achim,

    Danke für Deine Mühen.

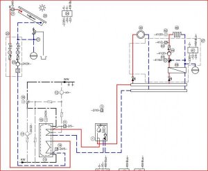
    Hm, so viele Fachbegriffe. Weiß nicht ob ich es verstanden habe. Du meinst der Anschluss vom WT "oben links" (habe es nun als "1" bezeichnet), darf nicht am Rücklauf "E" der Therme sein?
    Oder Anschluss "2" des WT darf nicht mit der Pumpe verbunden sein?
    Habe nochmals Bilder gemacht und den Leitungsverlauf darüber gezeichnet. Das ist wohl tatsächlich aber so angeschlossen!?

    Habe auch mal von der Pumpe oben im Gerät Bilder gemacht.
    Als Laie nehme ich beim WW-Aufbereiten auch eine Umschaltung war. Da geht die Heizkreispumpe unten aus, und wenn der Speicher wieder sein Soll erreicht hat, dann wird auf die Heizkreispumpe zurückgeschaltet.

    Grüße
    forf
     

    Anhänge:

  4. #44 Achim Kaiser, 30.11.2012
    Achim Kaiser

    Achim Kaiser

    Dabei seit:
    29.10.2005
    Beiträge:
    7.471
    Zustimmungen:
    9
    An der Ecke kannste aufhören irgendwelche Fehler in der Verrohrung zu suchen ....
    auch der WT wird wohl passen. Es handelt sich um ein *Unterbaukit* direkt vom Hersteller
    mit allem Brimborium.

    Die Unterlagen die ich dazu finde geben im Detail nicht wirklich was her.

    Gruß
    Achim Kaiser
     
  5. R.B.

    R.B.

    Dabei seit:
    19.08.2005
    Beiträge:
    48.826
    Zustimmungen:
    17
    Beruf:
    Dipl.Ing. NT
    Ort:
    BW
    Hi Achim,
    aber beim Unterbaukit wird der PWT normalerweise für die WW-Erzeugung im Durchlaufprinzip genutzt. Dann wird auch die Regelung entsprechend parametriert usw.

    Im obigen Fall ist das aber sinnfrei gemischt.

    Gruß
    Ralf
     
  6. #46 Achim Kaiser, 30.11.2012
    Achim Kaiser

    Achim Kaiser

    Dabei seit:
    29.10.2005
    Beiträge:
    7.471
    Zustimmungen:
    9
    Ralf,

    nö ... das Geschmerche gibts auch zur Systemtrennung für FBH ...
    Hat mit WW-Bereitung nichts zu tun eher mit der Firmenphilosophie und Umsatzzahlen.

    Gruß
    Achim Kaiser
     
  7. R.B.

    R.B.

    Dabei seit:
    19.08.2005
    Beiträge:
    48.826
    Zustimmungen:
    17
    Beruf:
    Dipl.Ing. NT
    Ort:
    BW
    Aber als Systemtrennung würde es doch anders verrohrt. Wenn ich mir die Unterlagen zur Vitodens anschaue, dann sieht es so aus, als hätte der Handwerker munter ein paar Anlagenschemen gemischt, ohne Sinn (oder einem Sinn den ich nicht verstehe).

    Gruß
    Ralf
     
  8. #48 Achim Kaiser, 30.11.2012
    Achim Kaiser

    Achim Kaiser

    Dabei seit:
    29.10.2005
    Beiträge:
    7.471
    Zustimmungen:
    9
    Nö ... das ist ein kompletter Bausatz.
    Schau dir die Verrohrung an.

    Ich hab auch erst mal nachsehen müssen ...
    Vom Grundsatz entsprichts aber meinem Schema - ohne den direkten Heizkreis.
    Dann funktioniert auch die WW-Bereitung.

    Detail Infos von V. sind dann allerdings wieder *spärlich*

    Gruß
    Achim Kaiser
     
  9. #49 forforum, 30.11.2012
    forforum

    forforum

    Dabei seit:
    27.11.2012
    Beiträge:
    56
    Zustimmungen:
    0
    Beruf:
    GaLa
    Ort:
    BW
    Vielen Dank euch zwei, ich probiere mal zusammenzufassen:

    1. Der PWT darf da sein, weil Viessmann das gewollt so vertreibt. Egal ob nun ein Speicher für WW da ist und ein Durchlauferhitzer in Form eines PWT nicht nötig wäre!

    2. Der PWT ist trotz urspürnglicher Zweifel richtig angeschlossen? Die Systemtrennung ist also doch da?

    3. Warum taktet das Gerät? Am PWT kann es dann nicht liegen? Ansonsten ist wie gesagt, die Keizkennlinie so weit unten wie es geht. Thermostate im EG und OG sind ALLE immer offen. Heizkreispumpe läuft auf Stufe 3 durch. Warum wird die Wärme nicht ins System gebracht? Oder moduliert die Anlage nicht richtig?

    4. Das die FBH direkt von der Therme gespeist wird ist richtig? Warum wird nicht die Wärme des Speichers genutzt, dann müsste nur wenige mal am Tage der Speicher aufgeheizt werden!?

    Grüße
    forf
     
  10. #50 Achim Kaiser, 30.11.2012
    Achim Kaiser

    Achim Kaiser

    Dabei seit:
    29.10.2005
    Beiträge:
    7.471
    Zustimmungen:
    9
    Nein ... die FBH wird über den WT gespeisst.
    Die WW-Bereitungsverrohrung müsste direkt angeschlossen sein ....

    Gruß
    Achim Kaiser
     
  11. R.B.

    R.B.

    Dabei seit:
    19.08.2005
    Beiträge:
    48.826
    Zustimmungen:
    17
    Beruf:
    Dipl.Ing. NT
    Ort:
    BW
    So wie´s aussieht wird die FBH über den PWT und die Mischergruppe versorgt. Die Nutzung der Speicherwärme wäre wieder ein ganz anderes Konzept, bei Deinem Speicher handelt es sich ja um den WW-Speicher.

    Gruß
    Ralf
     
  12. #52 forforum, 30.11.2012
    forforum

    forforum

    Dabei seit:
    27.11.2012
    Beiträge:
    56
    Zustimmungen:
    0
    Beruf:
    GaLa
    Ort:
    BW
    Warum wird hier eigentlich die Wärme "getauscht" eigentlich ist hier doch nur ein Übertragungsverlust? Oder was soll das für ein Sinn haben?

    Grüße
    forf
     
  13. R.B.

    R.B.

    Dabei seit:
    19.08.2005
    Beiträge:
    48.826
    Zustimmungen:
    17
    Beruf:
    Dipl.Ing. NT
    Ort:
    BW
    Eine Systemtrennung kann sinnvoll bzw. vorgeschrieben sein, wenn beispielsweise die FBH nicht zum Wärmeerzeuger passt (Volumenstrom) oder der Hersteller verhindern möchte, dass Sauerstoff über die FBH in den Wärmeerzeuger gelangt.

    Gruß
    Ralf
     
  14. #54 forforum, 30.11.2012
    forforum

    forforum

    Dabei seit:
    27.11.2012
    Beiträge:
    56
    Zustimmungen:
    0
    Beruf:
    GaLa
    Ort:
    BW
    Ok, dann wären nur noch die 3 Fragen wichtig:

    Grüße
    forf
     
  15. R.B.

    R.B.

    Dabei seit:
    19.08.2005
    Beiträge:
    48.826
    Zustimmungen:
    17
    Beruf:
    Dipl.Ing. NT
    Ort:
    BW
    Wenn es so ist wie von Dir gezeichnet, dann ist das aber keine Systemtrennung. Dann hängt das Teil ziemlich sinnfrei in der Landschaft, und das ist mir noch nicht klar. Ich habe mir jetzt alle Deine Bilder angeschaut und kriege die einfach nicht in Übereinstimmung mit den Unterlagen. In Deinen Bildern wird der PWT an sich "überbrückt", da trennt sich nichts mehr.

    Gruß
    Ralf
     
  16. #56 forforum, 30.11.2012
    forforum

    forforum

    Dabei seit:
    27.11.2012
    Beiträge:
    56
    Zustimmungen:
    0
    Beruf:
    GaLa
    Ort:
    BW
    Also wenn ich euch richtig verstehe, dann ist der von mir eingezeichnete rote Bogen zu viel oder zumindest Grund eurer Zweifel, weil es den PWT im Prinzip überbrückt!?
    Richtig?

    Da muss es doch einen Anschlussplan geben!? Ich habe wie gesagt leider keinen und im Netz finde ich für diese Unterbau-Set auch nichts.

    Mal hypotetisch, wenn der Bogen weg ist, dann muss alles über den PWT, was das Takten doch sicher noch verschlimmert?

    Grüße
    forf
     

    Anhänge:

    • Bild1.jpg
      Bild1.jpg
      Dateigröße:
      33,8 KB
      Aufrufe:
      658
  17. R.B.

    R.B.

    Dabei seit:
    19.08.2005
    Beiträge:
    48.826
    Zustimmungen:
    17
    Beruf:
    Dipl.Ing. NT
    Ort:
    BW
    Richtig erkannt.

    Dazu kommt, dass der RL vom Heizkreis ebenso den PWT umgeht und zusammen mit dem RL vom Speicher in die Therme geführt wird

    Gruß
    Ralf
     
  18. #58 forforum, 30.11.2012
    forforum

    forforum

    Dabei seit:
    27.11.2012
    Beiträge:
    56
    Zustimmungen:
    0
    Beruf:
    GaLa
    Ort:
    BW
    Oh Mist,

    ein Fehler geht auf meine Kappe. Der Rücklauf FBH und Speicher sind so eng verlegt, dass diese zusammen isoliert wurden. Sind aber nicht verbunden. Habe die Isolierung extra nochmals abgebaut. Hier nun der korrekte Anschlussplan.

    Wobei der zweite "Fehler" (?) Kurzschluss des PWT auf alle Fälle da ist, der Kupferbogen ist in den Bilder weiter oben ja deutlich zu sehen.

    Grüße
    forf
     

    Anhänge:

  19. #59 Achim Kaiser, 30.11.2012
    Achim Kaiser

    Achim Kaiser

    Dabei seit:
    29.10.2005
    Beiträge:
    7.471
    Zustimmungen:
    9
    Das ist kein Fehler .... sondern vom Hersteller so vorgesehen oder glaubst du dass dieses Bauteil auf der Ideenmiste des Handwerkers gewachsen ist und dementsprechend hergestellt wurde ?

    Leider sind die Infos bezüglich dieses Bausatzes eher dürftig ...
    und nachdem ich eine andere Anlagenphilsophie vertrete habe ich mich damit noch nie im Detail beschäftigen müssen oder gar so eine Mimik verbaut .... deswegen endet die Aussagefähigkeit am Datenblatt des Herstellers (und da steht nicht wirklich was drin was einem in diesem Fall weiter hilft).

    Das muss vor Ort geprüft und geklärt werden ... wobei nachdem es fast 2 Jahre funktioniert hat gehe ich mal nicht von einer fehlerhaften Montage der Verrohrung aus sondern von einem Bauteil oder einer Einstellung aus das für die Geräusche verantwortlich ist.

    Hier die große Funktionsfragezeichenkeule aufzufahren bringt keinen wirklich weiter.

    Wenn alle Stricke reissen ----> Hersteller-Kundendienst.
    Kostet zwar u.U. kräftig aber hilft vermutlich weiter.
    Ich sehe *von hier aus* nicht wirklich eine Möglichkeit das Geräuschproblem zu lösen ....

    Gruß
    Achim Kaiser
     
  20. R.B.

    R.B.

    Dabei seit:
    19.08.2005
    Beiträge:
    48.826
    Zustimmungen:
    17
    Beruf:
    Dipl.Ing. NT
    Ort:
    BW
    Aha, langsam kommen wir voran. ;)

    Gruß
    Ralf
     
Thema: Viessmann Vitodens 200 brummt immer wieder, dies sei "eigentlich normal"!?
Besucher kamen mit folgenden Suchen
  1. viessmann vitodens 200 brummt

    ,
  2. vitodens 200 brummt

    ,
  3. vitodens brummt ständig

    ,
  4. viessmann vitodens 200 dröhnt,
  5. vitopend 200 entlüftungsprogramm,
  6. Viessmann Vitodens 222 Schaltbild,
  7. viessmann therme brummt,
  8. viessmann heizung lautes dröhnen,
  9. vitoladens brummt,
  10. vitodens 200 geräusche,
  11. viessmann heizung brummt,
  12. vitodens 100 fährt hoch brenner aus brumm,
  13. viessmann vitodens 100 brummen,
  14. viessmann brummt,
  15. wb2c pumpe,
  16. viessmann vitopend knistert,
  17. viessmann vitodens 200 macht geräusche,
  18. vitodens 200 gaseinstellung,
  19. viessmann anschlussschema,
  20. Viessmann Brenner macht Geräusche,
  21. Gastherme Vitodens 200 Anschlüsse,
  22. vitodens 200 dröhnt,
  23. vitodens 200 brummen,
  24. viessmann heizung summt,
  25. vitodens lüfter geräusch
Die Seite wird geladen...

Viessmann Vitodens 200 brummt immer wieder, dies sei "eigentlich normal"!? - Ähnliche Themen

  1. Wasseraustritt am Brenner Viessmann Vitodens 300 WB3A

    Wasseraustritt am Brenner Viessmann Vitodens 300 WB3A: Hallo zusammen, Pünktlich zum Winter nach gefühlt 20 Jahren das erste Problem mit unserer Gasbrennwerttherme. Die Tage hatte ich mehrere Male die...
  2. Viessmann Vitodens 200 geringer Volumenstrom

    Viessmann Vitodens 200 geringer Volumenstrom: Hallo Experten, ich bin Laie und versuche mein Problem so gut wie ich kann zu schildern: Gerät: Vitodens 200-W B2HF-25 2,5-25kW Seriennummer der...
  3. Viessmann Vitodens oder Elco Thision?

    Viessmann Vitodens oder Elco Thision?: Liebe Bauexperten, mir wird für die Beheizung eines Neubaus, EFH, ca. 200 m2 mit Fußbodenheizung, ca. 5 m2 Vakuumröhrenkollektoren und 300 l...
  4. Viessmann Vitodens 200-w neu - läuft auch im Sommer durch

    Viessmann Vitodens 200-w neu - läuft auch im Sommer durch: Hallo liebe Fachleute, habe folgendes Problem: Haben vor drei Wochen eine neue Viessmann Vitodens 200-w mit Außenfühler bekommen. Wir...
  5. Modern. Heizkesselanlage Buderus Logamax plus GB162 od. Viessmann Vitodens 222 F

    Modern. Heizkesselanlage Buderus Logamax plus GB162 od. Viessmann Vitodens 222 F: Hallo, ich bin absoluter Handwerks-Laie. Wir wollen in unserer DHH 120 qm Wohnfläche die Heizung modernisieren. Ich habe mehrere Angebote...