Frage zu Statik EFH

Diskutiere Frage zu Statik EFH im Architektur Allgemein Forum im Bereich Architektur; Hallo, Bei der Statik wurde festgelegt das im Bereich der Holzbalkendecke im Obergeschoss neben den Deckenbalken noch 3 Abfangträger eingebaut...

  1. Hegi2k

    Hegi2k

    Dabei seit:
    02.02.2020
    Beiträge:
    41
    Zustimmungen:
    1
    Hallo,

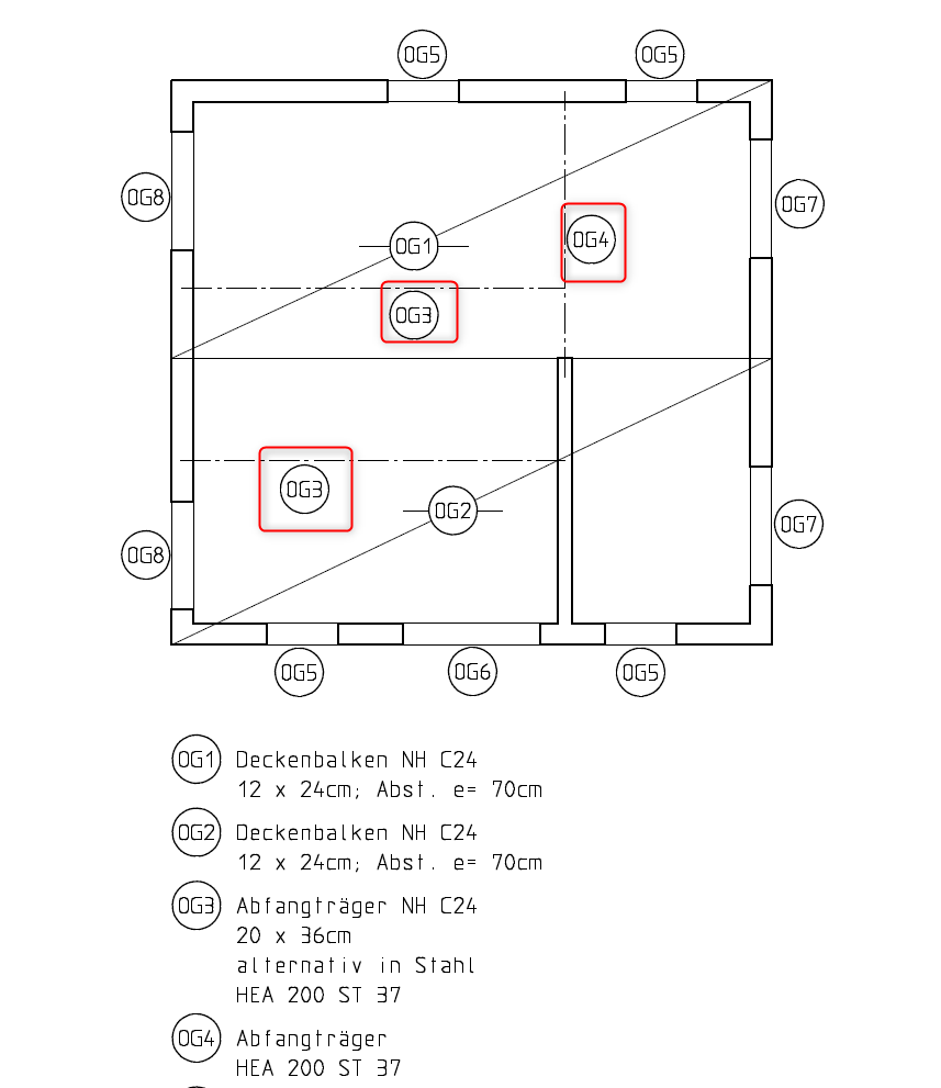
    Bei der Statik wurde festgelegt das im Bereich der Holzbalkendecke im Obergeschoss neben den Deckenbalken noch 3 Abfangträger eingebaut werden müssen.
    Jetzt kann ich mir gerade nicht vorstellen in welcher ebene diese verbaut werden müssen.
    Mein Gedanke war das die Holzbalken direkt auf den Ringanker der obersten Steinreihe gelegt werden. Aber wo kommen dann die Abfangträger rein ? Und wie soll der Träger OG3 und OG4 verbunden werden.

    Kann mir hier jemand Aufklärung verschaffen ?
     

    Anhänge:

  2. #2 Andreas Teich, 07.03.2020
    Andreas Teich

    Andreas Teich

    Dabei seit:
    20.03.2012
    Beiträge:
    3.102
    Zustimmungen:
    529
    Beruf:
    Gebäude-Energieberater, Planungsbüro, HW-Meister
    Ort:
    Bonn und Kärnten/Österreich
    Benutzertitelzusatz:
    Ggf anrufen sofern sich’s im Rahmen hält…
    Träger können unter den Deckenbalken liegen oder oberseitig bündig mit diesen-
    entweder mit Balkenschuhen befestigt-
    alternativ bei Sichtbalken mit Schwalbenschwanzverbindung, eingenuteten Plattenverbindern etc
     
Thema:

Frage zu Statik EFH

Die Seite wird geladen...

Frage zu Statik EFH - Ähnliche Themen

  1. Sanierung EFH (Massivbau): Machbarkeits-Check Dachausbau (4 Zimmer + Bad) – Entwurf & Statik-Fragen

    Sanierung EFH (Massivbau): Machbarkeits-Check Dachausbau (4 Zimmer + Bad) – Entwurf & Statik-Fragen: [ATTACH] Hallo zusammen, wir sind frischgebackene Hausbesitzer und planen aktuell die Kernsanierung unseres Einfamilienhauses (Außenmaße ca....
  2. Frage zur Statik

    Frage zur Statik: Hallo zusammen, ich habe das Haus meiner Großeltern übernommen und bin gerade dabei, den Keller zu sanieren. Im Anbau (ca 4,5m breit) stand eine...
  3. Fragen bezüglich Statik

    Fragen bezüglich Statik: Hallo Liebes Forum, ich versuche gerade verzweifelt ein paar Information bezüglich der Statik meiner zukünftigen Immobilie herauszufinden....
  4. Spitzboden ausbauen, Frage Statik

    Spitzboden ausbauen, Frage Statik: Moin, Wir wollen unseren Spitzboden ausbauen, um darin ein Bett mit Fernseher und eine Kommode zu stellen. Im Anhang ist die alte statische...
  5. Frage an Statiker bzwl. Wanddurchbruch

    Frage an Statiker bzwl. Wanddurchbruch: Guten Morgen zusammen, ich habe bzgl. eines geplanten Wanddurchbruchs einer tragenden Wand (24cm) eine Rückmeldung von einem Statiker erhalten....